Zweikreis-HiLight-Heizkörper 1500/900 W / 230V

Art.Nr.: 10.57411.604

EUR 60,39
inkl. 19 % USt

  • Sofort versandfähig, ausreichende Stückzahl Sofort versandfähig, ausreichende Stückzahl
  • Lieferzeit 1-2 Tage
  • Gewicht 0,69 kg


Zu diesem Artikel existieren noch keine Bewertungen

Produktbeschreibung

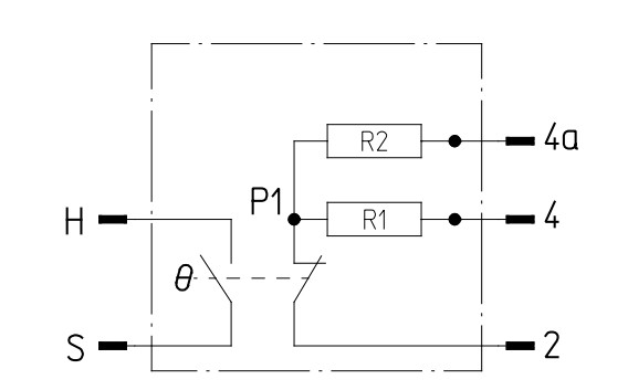
E.G.O. Zweikreis-HiLight-Heizkörper 10.57411.604 – 1.500W / 900W, z.B. für Franke Salamander

Der E.G.O. (EGO) Zweikreis-HiLight-Heizkörper mit der Artikelnummer 10.57411.604 (auch bekannt als 1057411604) hat eine Gesamtleistung von 2.400 Watt, aufgeteilt in zwei Heizkreise. Der erste Heizkreis liefert 1.500 Watt, während der zweite Heizkreis 900 Watt bietet. Das Heizelement ist oval geformt und eignet sich für den Einsatz in Geräten wie dem Franke Salamander.

Der Heizkörper verfügt über zwei Heizzonen und wird über einen Energieregler gesteuert (nicht enthalten). Die HiLight-Technologie sorgt für eine zuverlässige Erwärmung.

HerstellerE.G.O. (EGO)
Artikelnummer10.57411.604 (auch 1057411604)
TypZweikreis-HiLight-Heizkörper
Gesamtleistung2.400 Watt
Heizkreis 11.500 Watt
Heizkreis 2900 Watt
Nennspannung230 Volt
ProduktserieHiLight